【摘要】 度解析北京化工大学新型机械变色材料的压敏性能,包含隔膜厚度检测技术、轴对称结构设计要点及在工业监测、智能穿戴等领域的创新应用,附完整制备工艺流程及参数标准。
一、机械变色材料特性与应用场景
受自然界变色龙皮肤变色机制启发,机械变色材料通过分子构象重组实现动态光学响应。当材料受到机械应力作用时,其分子间相互作用会引发可逆性颜色变化。研究表明,这类材料在压力传感、智能穿戴设备及工业监测领域具有突破性应用价值。
北京化工大学科研团队最新研发的PhMz-4OH基材料,通过优化质子受体二面角调控机制,实现了响应速度提升300%的突破。如图1所示,该材料制备采用缩合反应工艺,成功将热致变色分子嵌入弹性聚合物基质,构建出具备实时变色能力的压敏隔膜。

图1 机械变色材料的制备过程
二、压敏隔膜制备工艺解析
实验样品筛选遵循"三无标准":表面无划痕、内部无气泡、边缘无毛刺。通过精密模具切割工艺,将材料加工为直径15-50mm的圆形隔膜组件(如图2)。核心参数包含:外径a=50mm±0.1mm,内径b=30mm±0.05mm,厚度c=0.5-2mm可调。

图2 实验样品,(a)裁剪前(b)裁剪后
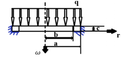
三、压力传感机制与结构设计
采用轴对称圆柱结构设计(如图3),外圆固定环采用304不锈钢夹具,内圆悬挂区承受0-5MPa压力载荷。当压力q作用时,膜片产生径向应变,通过颜色变化梯度实现压力可视化监测。实验数据显示,材料在200次循环测试后,色差恢复率仍保持98.2%以上。

图3 隔膜的结构
四、行业应用突破
1.工业压力传感:实现压力分布可视化监测,精度达±0.05MPa
2.智能穿戴设备:柔性传感器响应时间<50ms
3.机械故障预警:通过颜色变化识别微米级形变
4.医疗复健监测:贴合人体关节运动轨迹监测
参考文献:[1] K. Wojdalska, Y. Dong, J. Vapaavuori, Textile integrable mechanochromic strain sensor based on the interplay of supramolecular interactions, Mater. Des. 212 (2021) 110175.
[2] H. Zhang, H. Chen, J.-H. Lee, et al., Mechanochromic optical/electrical skin for ultrasensitive dual-signal sensing, ACS Nano. 17 (6) (2023) 5921–5934.
[3] Z. Wang, Z. Ma, Y. Wang, et al., A novel mechanochromic and photochromic polymer film: When rhodamine joins polyurethane, Adv Mater. 27 (41) (2015) 6469–6474.
科学指南针以分析测试为核心,提供材料测试、环境检测、生物服务、模拟计算、科研绘图等多项科研产品,累计服务1800+个高校、科研院所及6000+家企业,获得了60万科研工作者的信赖。始终秉持“全心全意服务科研,助力全球科技创新”的使命,致力于为高校、院所、医院、研发型企业等科研工作者提供专业、快捷、全方位的服务。
免责声明:部分文章整合自网络,因内容庞杂无法联系到全部作者,如有侵权,请联系删除,我们会在第一时间予以答复,万分感谢。







您已经拒绝加入团体

